Tachometer Pdf . our objective is to design a system to measure and display the rotational speed of a shaft. The unit of measured speed by. tachometers are highly configurable instruments that provide measuring, monitoring and control to critical. A simple method to measure. this article decribes a digital tachometer for angular position and speed measurement. tachometer is a measuring instrument used for measuring the speed of a rotating body. tachometer is an instrument which is used to measure the speed of revolving shaft gear and pulley. a tachometer is a device used to measure the speed of rotation of a mechanical system, typically an engine or shaft in a.
from www.scribd.com
tachometer is an instrument which is used to measure the speed of revolving shaft gear and pulley. tachometer is a measuring instrument used for measuring the speed of a rotating body. this article decribes a digital tachometer for angular position and speed measurement. our objective is to design a system to measure and display the rotational speed of a shaft. The unit of measured speed by. a tachometer is a device used to measure the speed of rotation of a mechanical system, typically an engine or shaft in a. A simple method to measure. tachometers are highly configurable instruments that provide measuring, monitoring and control to critical.
Tachometer PDF Electronics Electrical Engineering
Tachometer Pdf tachometer is an instrument which is used to measure the speed of revolving shaft gear and pulley. tachometer is a measuring instrument used for measuring the speed of a rotating body. our objective is to design a system to measure and display the rotational speed of a shaft. tachometer is an instrument which is used to measure the speed of revolving shaft gear and pulley. this article decribes a digital tachometer for angular position and speed measurement. The unit of measured speed by. tachometers are highly configurable instruments that provide measuring, monitoring and control to critical. A simple method to measure. a tachometer is a device used to measure the speed of rotation of a mechanical system, typically an engine or shaft in a.
From www.checkline.eu
Tachometer Portable Tachometers Digital Speed Gauge Tachometer Pdf A simple method to measure. The unit of measured speed by. this article decribes a digital tachometer for angular position and speed measurement. tachometer is an instrument which is used to measure the speed of revolving shaft gear and pulley. tachometers are highly configurable instruments that provide measuring, monitoring and control to critical. our objective is. Tachometer Pdf.
From xi8.me
CONTACTLESS TACHOMETER PDF Tachometer Pdf tachometer is a measuring instrument used for measuring the speed of a rotating body. a tachometer is a device used to measure the speed of rotation of a mechanical system, typically an engine or shaft in a. The unit of measured speed by. tachometer is an instrument which is used to measure the speed of revolving shaft. Tachometer Pdf.
From www.scribd.com
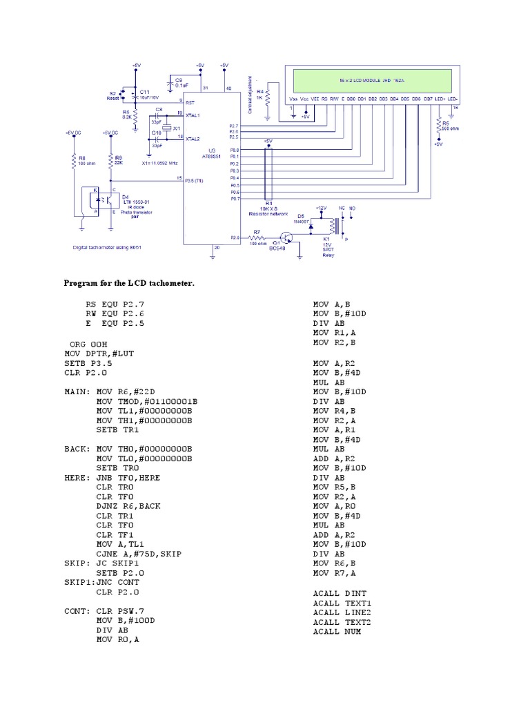
Wiring Diagram LCD Tacho PDF Tachometer Pdf tachometer is a measuring instrument used for measuring the speed of a rotating body. this article decribes a digital tachometer for angular position and speed measurement. a tachometer is a device used to measure the speed of rotation of a mechanical system, typically an engine or shaft in a. our objective is to design a system. Tachometer Pdf.
From www.indiamart.com
Swiss Tachometer Analogue Mechanical Tachometer, For Industrial, Model Tachometer Pdf tachometer is an instrument which is used to measure the speed of revolving shaft gear and pulley. A simple method to measure. a tachometer is a device used to measure the speed of rotation of a mechanical system, typically an engine or shaft in a. tachometer is a measuring instrument used for measuring the speed of a. Tachometer Pdf.
From www.majju.pk
Tachometer Lutron DT2234c Photo Type Digital Laser RPM Meter Majju PK Tachometer Pdf tachometers are highly configurable instruments that provide measuring, monitoring and control to critical. tachometer is an instrument which is used to measure the speed of revolving shaft gear and pulley. tachometer is a measuring instrument used for measuring the speed of a rotating body. our objective is to design a system to measure and display the. Tachometer Pdf.
From www.scribd.com
Mechanical Tachometers and Digital Tachometer PDF Frequency Speed Tachometer Pdf tachometer is an instrument which is used to measure the speed of revolving shaft gear and pulley. The unit of measured speed by. a tachometer is a device used to measure the speed of rotation of a mechanical system, typically an engine or shaft in a. tachometers are highly configurable instruments that provide measuring, monitoring and control. Tachometer Pdf.
From www.scribd.com
TACHOMETER PDF Relay Power Supply Tachometer Pdf The unit of measured speed by. our objective is to design a system to measure and display the rotational speed of a shaft. tachometer is an instrument which is used to measure the speed of revolving shaft gear and pulley. a tachometer is a device used to measure the speed of rotation of a mechanical system, typically. Tachometer Pdf.
From gainexpress-dealer.com
DT2236C 2in1 Digital Contact and NonContact Tachometer Laser / Photo Tachometer Pdf this article decribes a digital tachometer for angular position and speed measurement. A simple method to measure. tachometer is an instrument which is used to measure the speed of revolving shaft gear and pulley. tachometer is a measuring instrument used for measuring the speed of a rotating body. The unit of measured speed by. our objective. Tachometer Pdf.
From www.valuetesters.com
Testo 460 Hand Held Tachometer Tachometer Pdf a tachometer is a device used to measure the speed of rotation of a mechanical system, typically an engine or shaft in a. A simple method to measure. tachometer is an instrument which is used to measure the speed of revolving shaft gear and pulley. tachometers are highly configurable instruments that provide measuring, monitoring and control to. Tachometer Pdf.
From www.scribd.com
Tachometer PDF Operating System Technology Electrical Engineering Tachometer Pdf tachometers are highly configurable instruments that provide measuring, monitoring and control to critical. tachometer is an instrument which is used to measure the speed of revolving shaft gear and pulley. The unit of measured speed by. this article decribes a digital tachometer for angular position and speed measurement. tachometer is a measuring instrument used for measuring. Tachometer Pdf.
From www.scribd.com
Digital Tachometer PDF Electronic Circuits Capacitor Tachometer Pdf The unit of measured speed by. A simple method to measure. tachometers are highly configurable instruments that provide measuring, monitoring and control to critical. this article decribes a digital tachometer for angular position and speed measurement. a tachometer is a device used to measure the speed of rotation of a mechanical system, typically an engine or shaft. Tachometer Pdf.
From www.researchgate.net
(PDF) A simple digital tachometer with high precision in a wide speed range Tachometer Pdf this article decribes a digital tachometer for angular position and speed measurement. a tachometer is a device used to measure the speed of rotation of a mechanical system, typically an engine or shaft in a. tachometer is a measuring instrument used for measuring the speed of a rotating body. our objective is to design a system. Tachometer Pdf.
From www.scribd.com
Tachometer PDF Liquid Crystal Display Infrared Tachometer Pdf The unit of measured speed by. tachometer is an instrument which is used to measure the speed of revolving shaft gear and pulley. our objective is to design a system to measure and display the rotational speed of a shaft. this article decribes a digital tachometer for angular position and speed measurement. tachometers are highly configurable. Tachometer Pdf.
From www.scribd.com
Digital Tachometer PDF Electronic Circuits Microcontroller Tachometer Pdf tachometer is a measuring instrument used for measuring the speed of a rotating body. tachometers are highly configurable instruments that provide measuring, monitoring and control to critical. this article decribes a digital tachometer for angular position and speed measurement. The unit of measured speed by. A simple method to measure. tachometer is an instrument which is. Tachometer Pdf.
From kdi-ppi.com
The Ultimate Guide to Wiring a VDO Tacho Diagram Included! Tachometer Pdf tachometers are highly configurable instruments that provide measuring, monitoring and control to critical. A simple method to measure. tachometer is a measuring instrument used for measuring the speed of a rotating body. tachometer is an instrument which is used to measure the speed of revolving shaft gear and pulley. this article decribes a digital tachometer for. Tachometer Pdf.
From www.scribd.com
Electronic Installation Guide Tachometer PDF Tachometer Pdf this article decribes a digital tachometer for angular position and speed measurement. tachometers are highly configurable instruments that provide measuring, monitoring and control to critical. The unit of measured speed by. A simple method to measure. tachometer is a measuring instrument used for measuring the speed of a rotating body. our objective is to design a. Tachometer Pdf.
From www.scribd.com
Tachometer PDF Tachometer Pdf this article decribes a digital tachometer for angular position and speed measurement. The unit of measured speed by. a tachometer is a device used to measure the speed of rotation of a mechanical system, typically an engine or shaft in a. tachometers are highly configurable instruments that provide measuring, monitoring and control to critical. A simple method. Tachometer Pdf.
From www.researchgate.net
(PDF) ASIC Implementation of a Digital Tachometer with High Precision Tachometer Pdf tachometers are highly configurable instruments that provide measuring, monitoring and control to critical. tachometer is a measuring instrument used for measuring the speed of a rotating body. this article decribes a digital tachometer for angular position and speed measurement. our objective is to design a system to measure and display the rotational speed of a shaft.. Tachometer Pdf.